- 產品詳情
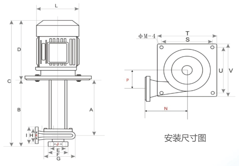
- 產品規格
- 型號說明
- 操作保養
1、主體采用SUS304或SUS316,可應對高溫、強堿藥水等使用環境;
2、泵體配件采用精密加工,配件內外均衡平滑,穩定性高;
3、獨特地油封設計,可空轉,防止腐蝕性氣體上串損壞電機;
4、本機適應直立式安裝,可用于槽內或槽外安裝。
【溫馨提示】
以上JKV槽外立式不銹鋼泵均為【東莞市杰凱工業設備有限公司】-廠家直銷。
因材質、型號不同,具體價格請以實際報價為準!
咨詢產品價格、選型、資料等可以直接聯系在線客服!
24小時廠家咨詢服務電話:400-800-9738!
- [上一個] JKV槽內立式不銹鋼泵
- [下一個] JKP|JKP-X耐酸堿槽內立式泵
杰凱泵業

