- 產品詳情
- 產品規格
- 型號說明
- 操作保養
性能特點/Feature Description
1:采用優質 PPH/PVDF 原生材料,提升耐腐蝕能性及結構強度;
2:一體軸電機,提升電機運行的穩定性。獨特的干式軸封設計,泵可空轉運行;3:長方板,四方板等多種泵板結構,滿足不同需求;
4:槽內安裝,適用于噴淋、蝕刻、循環、輸送等環境;
5:各配件拆裝快捷,省時、省力,拆裝效率比傳統泵高 50%;
6:高效的泵腔流道設計,有效防止氣泡發生;流量、壓力比傳統泵高出 20%。
規格表/Specifications:
規格
Spec.
比重
SK.
入口
Inlet(mm)
出口
Outlet(mm)
50HZ
泵浦功率
Power(Kw)
全揚程
Max.Head (m)
全流量
Max.Capacity (l/min)
MVP-32SK-1HP
1.1
50
32
20
200
0.75
MVP-32SK-2HP
1.1
50
32
22
250
1.5
MVP-32SK-3HP
1.1
50
32
23
350
2.2
MVP-40SK-5HP
1.1
50
40
25
450
3.75
MVP-50SK-7.5HP
1.1
65
50
35
650
5.5
MVP-50SK-10HP
1.1
65
50
35
750
7.5
MVF-40SK-1HP
1.1
50
40
13
250
0.75
MVF-40SK-2HP
1.1
50
40
15
350
1.5
MVF-40SK-3HP
1.1
50
40
18
500
2.2
MVF-50SK-5HP
1.1
65
50
20
700
3.75
MVF-50SK-7.5HP
1.1
65
50
22
1200
5.5
MVF-65SK-105HP
1.1
80
65
25
1400
7.5
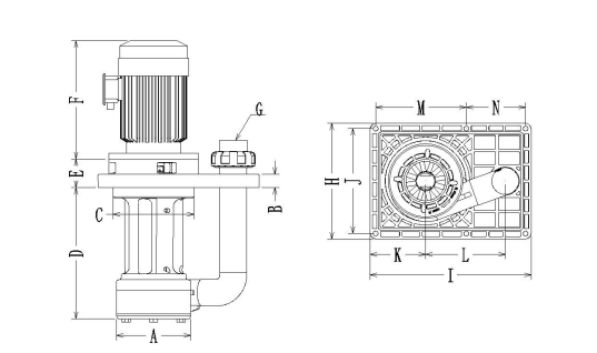
型號表示方法/Model Representation Method:

型號/Model
A
B
C
D
E
F
G
H
I
J
K
L
M
N
MVP/F-32/40SK-1
170
30
180
300/420
60
265
32
260
360
235
124
178
204
133
MVP/F-32/40SK-2
170
30
180
300/420
60
275
32
260
360
235
124
178
204
133
MVP/F-32/40SK-3
170
30
180
300/420
60
295
32
260
360
235
124
178
204
133
MVP/F-40/50SK-5
210
30
180
300/420
60
345
40
260
400
235
124
198
204
173
MVP/F-50/65SK-7.5
MVP/F-50/65SK-10
安裝尺寸表/Dimensions(mm):
|
型號/Model |
A |
B |
C |
D |
E |
F |
G |
H |
I |
J |
K |
L |
M |
N |
|
MVP/F-32/40SK-1 |
170 |
30 |
180 |
300/420 |
60 |
265 |
32 |
260 |
360 |
235 |
124 |
178 |
204 |
133 |
|
MVP/F-32/40SK-2 |
170 |
30 |
180 |
300/420 |
60 |
275 |
32 |
260 |
360 |
235 |
124 |
178 |
204 |
133 |
|
MVP/F-32/40SK-3 |
170 |
30 |
180 |
300/420 |
60 |
295 |
32 |
260 |
360 |
235 |
124 |
178 |
204 |
133 |
|
MVP/F-40/50SK-5 |
210 |
30 |
180 |
300/420 |
60 |
345 |
40 |
260 |
400 |
235 |
124 |
198 |
204 |
173 |
|
MVP/F-50/65SK-7.5 |
|
|
|
|
|
|
|
|
|
|
|
|
|
|
|
MVP/F-50/65SK-10 |
|
|
|
|
|
|
|
|
|
|
|
|
|
|
- [上一個] JKB-F-40012臥式自吸泵
- [下一個] 電鍍磁力泵
杰凱泵業

