- 產品詳情
- 產品規格
- 型號說明
- 操作保養
性能特點/Feature Description
1;過濾器采用優質 PPH/PVDF 原生材料,提升耐腐蝕性能及結構強度;
2;無金屬扣環+翻蓋設計,桶身排氣,操作便捷。緊固拉桿配套 M12 螺桿,強度更高;
3;加厚桶一體成型設計,整機無焊接點,100%無泄漏,結實、安全。使用壽命可達 8-10 年;
4;配套多種款式濾材,滿足市場多種需求;
5;廣泛用于酸堿藥水,電鍍藥水,蝕刻液,清洗液過濾。
型號表示方法/Model Representation Method:

型號/Model
A
B
C
D
E
F
G
H
ML-2004/3004
590/845
200
240
205
50
50
780/1050
840/1100
ML-2006/3006
615/870
300
320
275
65
65
805/1060
870/1125
ML-2018/3018
595/850
450
500
410
75
75
810/1065
890/1145
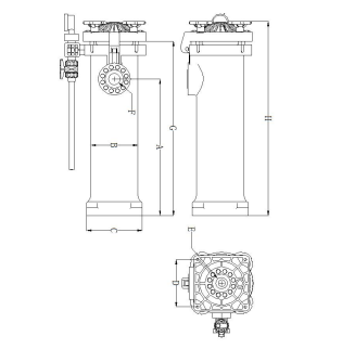
安裝尺寸表/Dimensions(mm)
|
型號/Model |
A |
B |
C |
D |
E |
F |
G |
H |
|
ML-2004/3004 |
590/845 |
200 |
240 |
205 |
50 |
50 |
780/1050 |
840/1100 |
|
ML-2006/3006 |
615/870 |
300 |
320 |
275 |
65 |
65 |
805/1060 |
870/1125 |
|
ML-2018/3018 |
595/850 |
450 |
500 |
410 |
75 |
75 |
810/1065 |
890/1145 |
- [上一個] 高壓過濾器
- [下一個] 不銹鋼過濾器-LK 系列
杰凱泵業
