- 產品詳情
- 產品規格
- 型號說明
- 操作保養
性能特點/Feature Description:
泵浦采用優質原生PP/PVDF,大幅提高產品耐腐蝕性及結構強度
自吸筒與法蘭一體成型,無焊點,無泄露
中封蓋一體成型,采用強筋穩固,壽命長
高效葉輪設計,一體成型,提高泵浦效率和使用壽命
封材質可配合使用環境選擇不同材質
應用范圍/Scope of application
電鍍、電子、化工、皮革、染整、廢水、廢氣及其它需要輸送的化學藥液工況。
保養維護/Maintenance
1、檢查入口底閥或入口濾網以避免雜質阻塞。
2、當馬達運轉時,注意是否有異常噪音。
3、檢查是否有漏電。
4、如果裝有逆止閥,檢查其功能是否正常。
5、如果泵浦內有較多結晶物,應將泵浦折開分解,將葉輪、泵體、前蓋浸泡在酸性藥液中清洗干凈后再依次重新組裝,或將泵浦循環酸性藥液,然后再用清水循環清洗干凈。
6、維護該泵時應注意幾個主要部位:A、滾動軸承:當長期運行后,軸承磨損到一定程度時,須進行更換。B、機械密封:機械密封在不漏液的情況下,一般不應拆開檢查。若軸承體下端洩漏口處產生嚴重洩漏時,則應對機械密封進行拆檢。裝拆機械密封時,必須輕取輕放,注意配合面的清潔,保護好靜環和動環的鏡面,嚴禁敲擊碰撞。
注意事項/matters needing attention
1、檢查馬達功率,包括頻率、電壓范圍及接線。
2、重新檢查以確認所有零件(法蘭、底座等)已安全地固定好。
3、檢查液位高度是否合適,請勿低於啟動時***液位。
4、檢查以確保入口閥開啟。
5、旋轉馬達冷卻風扇,以確保它不會太緊或卡住。
6、檢查各處螺栓有無松動,電源線及插頭是否完好,確保電機地線接觸良好。
故障處理/Troubleshooting
產品質保三年,24小時售后服務熱線:400-800-9738全程為您報價護航;
全程一對一專家指導維護服務!
規格表/Specifications:
|
規格 Spec. |
比重 Sp. |
入口 Inlet(mm) |
出口 Outlet(mm) |
50HZ |
泵浦功率 Power(Kw) |
||
|
|
|
|
|
全揚程 Max.Head (m) |
全流量 Max.Capacity (l/min) |
|
|
|
MGS-F-40012EBL-SSS-5D |
1.1 |
40 |
40 |
11 |
250 |
0.75 |
|
|
MGS-F-50022EBL-SSS-5D |
1.1 |
50 |
50 |
15 |
350 |
1.5 |
|
|
MGS-F-50032EBL-SSS-5D |
1.1 |
50 |
50 |
20 |
450 |
2.2 |
|
|
MGS-F-50052EBL-SSS-5D |
1.1 |
50 |
50 |
22 |
600 |
3.75 |
|
型號表示方法/Model Representation Method:

|
型號/Model |
A |
B |
C |
D |
E |
F |
G |
H |
I |
J |
K |
L |
|
MGS-F-40012EBL-SSS-5D |
283 |
264 |
351 |
695 |
202 |
252 |
263 |
125 |
204 |
40 |
40 |
12.5 |
|
MGS-F-50022EBL-SSS-5D |
283 |
264 |
351 |
705 |
202 |
252 |
263 |
125 |
204 |
50 |
50 |
12.5 |
|
MGS-F-50032EBL-SSS-5D |
283 |
264 |
351 |
705 |
202 |
252 |
263 |
125 |
204 |
50 |
50 |
12.5 |
|
MGS-F-50052EBL-SSS-5D |
283 |
264 |
351 |
705 |
202 |
252 |
263 |
125 |
204 |
50 |
50 |
12.5 |
MGS自吸泵分解示意圖:
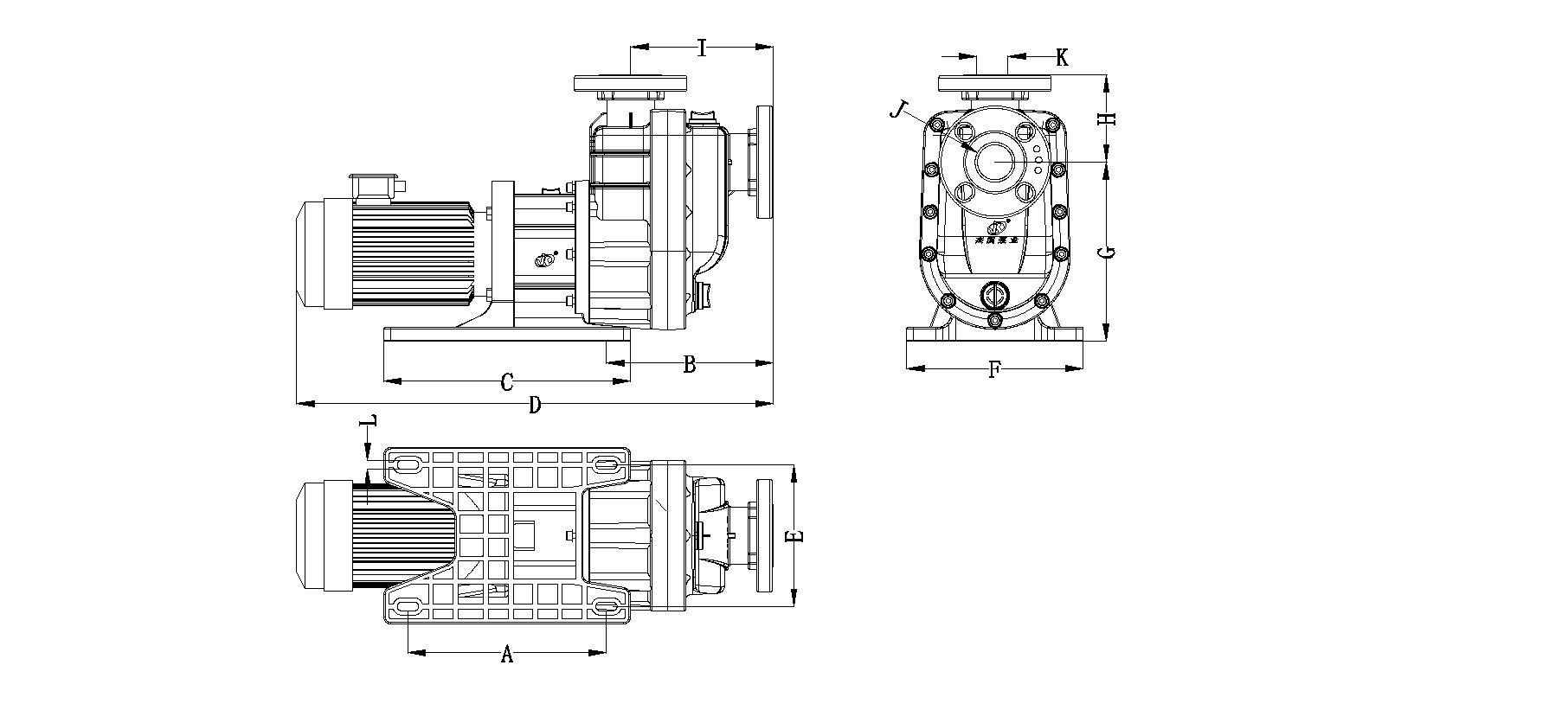
安裝尺寸表/Dimensions(mm):

|
型號/Model |
A |
B |
C |
D |
E |
F |
G |
H |
I |
J |
K |
L |
|
MGS-F-40012EBL-SSS-5D |
283 |
264 |
351 |
695 |
202 |
252 |
263 |
125 |
204 |
40 |
40 |
12.5 |
|
MGS-F-50022EBL-SSS-5D |
283 |
264 |
351 |
705 |
202 |
252 |
263 |
125 |
204 |
50 |
50 |
12.5 |
|
MGS-F-50032EBL-SSS-5D |
283 |
264 |
351 |
705 |
202 |
252 |
263 |
125 |
204 |
50 |
50 |
12.5 |
|
MGS-F-50052EBL-SSS-5D |
283 |
264 |
351 |
705 |
202 |
252 |
263 |
125 |
204 |
50 |
50 |
12.5 |
- [上一個] JKB-F耐空轉自吸泵
- [下一個] 耐腐蝕自吸泵
杰凱泵業
